Реле пуска звезда/треугольник RSA-ST-230

Скачать буклет с описание реле RSA-ST-230

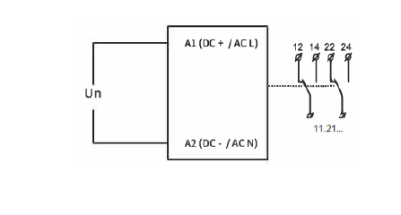
Код для заказа
RSA-ST-230Реле пуска звезда/треугольникСтоимость 4700р с НДС
 Сделать заказ

Характеристики