Шкафы управления вентиляцией серии R-SMART HVAC


Шкафы управления вентиляцией R-Smart HVAC представляют собой современные системы, которые обеспечивают автоматизацию и оптимизацию работы вентиляционных установок. Они позволяют эффективно контролировать климатические условия в помещениях, улучшая качество воздуха и снижая энергозатраты. Вот некоторые ключевые особенности и преимущества таких систем:
- Автоматизация: Шкафы R-Smart HVAC управления могут автоматически регулировать работу вентиляторов, клапанов и других компонентов системы вентиляции в зависимости от текущих условий (температура, влажность, уровень CO2 и т.д.).
- Интеллектуальные алгоритмы: Использование алгоритмов машинного обучения и искусственного интеллекта позволяет системе адаптироваться к изменениям в условиях эксплуатации и оптимизировать работу оборудования.
- Удаленный доступ: Шкафы R-Smart HVAC предлагают возможность удаленного мониторинга и управления через мобильные приложения или веб-интерфейсы, что позволяет оперативно реагировать на изменения и проводить диагностику.
- Интеграция с другими системами: R-Smart HVAC может быть интегрирован с другими системами умного здания, такими как системы отопления, кондиционирования, что позволяет создавать единое управление климатом.
- Энергоэффективность: Благодаря оптимизации системы управления зашитой в шкафы управления R-Smart HVAC помогают значительно снизить потребление энергии, что приводит к уменьшению эксплуатационных расходов.
- Улучшение качества воздуха: Системы управления R-Smart HVAC могут контролировать уровень загрязняющих веществ и обеспечивать своевременную вентиляцию для поддержания здорового микроклимата.
- Системы самодиагностики: Шкафы управления R-Smart HVAC оснащены функциями самодиагностики, что позволяет заранее выявлять возможные неисправности и минимизировать время простоя оборудования.
8. Примеры применения R-Smart HVAC:
Жилые дома, паркинги — автоматическое регулирование температуры по расписанию и сниженные счета за электричество.
Офисные здания — динамическое распределение вентиляции и кондиционирования в зависимости от загрузки помещений.
Производственные объекты — поддержание микроклимата, критически важного для технологических процессов.
Отели и торговые центры — улучшение качества обслуживания клиентов и снижение эксплуатационных расходов.
Если вас интересует более конкретная информация о моделях, производителях или особенностях установки таких шкафов, дайте знать на info@r-smart.ru
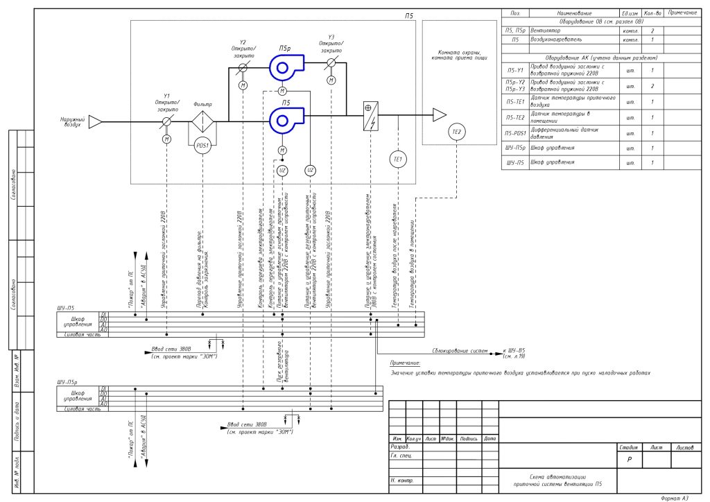
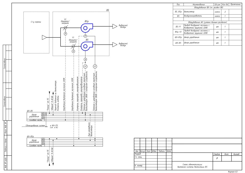
Схемы автоматизации (нажать для увеличения):







